咨询热线
88888888518
产品工作原理和用途:
X44W三通不锈钢旋塞阀的启闭件是一个有孔的圆柱体,圆柱体与阀杆绕垂直于通道的轴线旋转,从而达到启闭通道的目的。主要供开启和关闭管道和设备介质之用。
产品结构特点:
(1)适用于经常操作,启闭迅速、轻便。
(2)流体阻力小。
(3)结构简单,相对体积小,重量轻,便于维修。
(4)密封性能好
(5)不受安装方向的限制,介质的流向可任意。
(6)无振动,噪声小。
产品性能参数:
型号 | 公称压力 | 试验压力PS(MPa) | 适用介质 | 工作温度(℃) | |
壳体 | 密封 | ||||
X44W-1.0C | 1.0 | 1.5 | 1.1 | 煤气、油品 | ≤200 |
零件名称 | 阀体 | 塞子 | 填料压盖 | 填料 |
X44W-1.0P | 铬镍钛不锈钢 | 铬镍钛不锈钢 | 铬镍钛不锈钢 | 柔性石墨 |
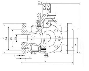
产品主要尺寸:
公称压力 | 公称通径 | 尺寸(mm) | |||||||
L | D | D1 | D2 | z-φd | □s | h | H | ||
X44W-1.0C | 25 | 145 | 115 | 85 | 56 | 4╳φ14 | 17 | 38 | 133 |
32 | 170 | 135 | 100 | 78 | 4╳φ18 | 18 | 45 | 152 | |
40 | 180 | 145 | 110 | 85 | 4╳φ18 | 24 | 55 | 212 | |
50 | 200 | 160 | 125 | 100 | 4╳φ18 | 28 | 74 | 260 | |
65 | 220 | 180 | 145 | 120 | 4╳φ18 | 32 | 82 | 295 | |
80 | 250 | 195 | 160 | 135 | 4╳φ18 | 40 | 95 | 327 | |
100 | 300 | 215 | 180 | 155 | 8╳φ18 | 45 | 135 | 425 | |
125 | 350 | 245 | 210 | 185 | 8╳φ18 | 54 | 154 | 482 | |
150 | 400 | 280 | 240 | 210 | 8╳φ23 | 62 | 172 | 512 | |
200 | 450 | 335 | 295 | 265 | 8╳φ23 | 75 | 195 | 605 | |
250 | 530 | 390 | 350 | 320 | 8╳φ23 | 85 | 230 | 660 | |
300 | 580 | 440 | 400 | 368 | 8╳φ23 | 100 | 263 | 760 | |