咨询热线
88888888518
D971X电动对夹蝶阀是采用一体化结构,接入220VAC电源即可控制运转,也可加入控制模块,输入控制信号(4-20mADC或1-5VDC)进行调节控制。电动对夹蝶阀具有功能强,体积小,轻便宜人,性能可靠,配套简单元,流通能力大,对常温、干净介质,可选用阀板加软密封(橡胶圈、四氟圈)来减少泄漏(可达0.01%),高温高压工况可选用三偏心硬密封阀体。电动对夹蝶阀可广泛应用于食品,环保,轻工,石油,化工,教学设备,造纸,电力等到行业的工业过程自动控制系统中。
1、本阀采用双偏心结构,具有越关越紧的密封功能,密封性能可靠。
2、密封副材料选用不锈钢和丁腈耐油橡胶配对,使用寿命长。
3、橡胶密封圈即可位于阀体上,也可以位于蝶板上,可适用不同特点的介质,供用户选择。
4、蝶板采用框架结构,强度高,过流面积大,流阻小。
5、整体烤漆、能有效地防止锈蚀且只要更换密封阀座密封材料,就可使用于不同介质。
6、本阀具有双向密封功能,安装时不受介质流向的控制,也不受空间位置的影响,可在任何方向安装。
7、本阀结构独特,操作灵活,省力,方便。
| 设计标准 | GB/T2238-1989 |
| 法兰连接尺寸 | GB/T9113.1-2000;GB/T9115.1-2000;JB78 |
| 结构长度 | GB/T12221-1989 |
| 压力试验 | GB/T13927-2000;JB/T9092-1999 |
| 公称通径DN(mm) | 50~1200 |
| 公称压力 | PN1.0、1.6MPa |
| 法兰标准 | JB/T79、GB/T9113、HG20594-97 |
| 连接形式 | 法兰式、对夹式 |
| 阀板形式 | 垂直板式 |
| 流量特性 | 近似快开型 |
| 动作范围 | 0~90° |
| 泄露量 | 按GB/T4213-92,为Kv值的10-4 |
| 基本误差 | ±2.5% |
| 回差 | ±2.5% |
| 死区 | 1% (可调) |
| 可调范围 | 50:1 |
| 配置执行机构 | 可配PSQ、HQ、UNIC、361RS、JO等系列角行程电动执行机构 |
| 控制方式 | 开关到位灯(开关两位控制)、智能调节(4~20mA模拟量信号控制) |
| 执行器类别 | 引进型RDK系列执行器参数 | 引进型3610R系列执行器参数 | 引进型HQ系列执行器参数 |
| 电源电压 | 标准:220V AC单相 可选:110V AC 单相、380/440V AC 三相、24V/110V/220V AC | ||
| 输出力矩 | 50N·M~2000N·M | 50N·M~1500N·M | 50N·M~3000N·M |
| 动作范围 | 0~90° 0~360° | 0~90° | 0~90°、0°~270°可选 |
| 控制方式 | 开关到位灯(开关两位控制)、无源触点信号、1/5K电位计、智能调节(4~20mA模拟量信号控制) | ||
| 动作时间 | 15秒/30秒/60秒 | 10秒/15秒/30秒 | 18S~112S |
| 保护装置 | 过热保护 | 过载保护 | 内置过热保护、过载保护 |
| 环境温度 | -30°~60° | -30°~60° | -20℃~+70℃ |
| 手动操作 | 同附带手柄操作 | 同附带手柄操作 | 机械离合机构,配手轮操作 |
| 机械限位 | 电气、机械二重限位 | 电气、机械二重限位 | 2个外部调整螺栓 |
| 防护等级 | IP65 | IP55 | IP65、IP67、可定制IP68 |
| 防爆等级 | 无防爆 | ExdⅡ BT4 | ExdⅡ BT4,ExdⅡ CT6 |
| 位置测量 | 可选装开关或电位计 | 比例控制单元 | 电位计、比例控制单元 |
| 驱动电机 | 8W/E | AC可逆电机 | 鼠笼式异步电机 |
| 进线接口 | PE1/2〞进线线锁 | 2-PF 1/2〞进线线锁 | 2个 PF 3/4” |
| 壳体材料 | 铝合金 | 钢,铝合金 | 钢,铝合金,铝青铜,聚碳酸脂 |
| 外涂层 | 干粉,环氧聚酯,具有超强防腐功能 | ||
(1)功能强劲:智能型、调节型、开关式。
(2)体积小巧:体积仅相当于同类产品的35%左右。
(3)使用方便:采用单相电源,接线简单;采用的球型凸出结构,使观察更方便;免加油免点检、防水防锈、任意角度安装。
(4)保护装置有双重限位、过热保护、过载保护。全行程时间15秒、30秒、45秒、60秒。及带手动功能。
(5)智能数控:内置模块采用先进计算机单片及智能控制软件直接接收计算机或工业仪表等输出的标准信号(4-20mA DC /1-5VDC)实现阀门开度的智能控制和精确定位。
也可选用3810系列或NA系列电子式角行程执行机构.亦可选用PSQ系列或DYR系列。≥DN400口径阀门一般采用380VAC电动执行器。
| 零件名称 | 材料 |
| 阀体 | 球墨铸钢、铸钢、合金钢、不锈钢 |
| 蝶板 | 灰铸铁、球墨铸钢、铸钢、不锈钢及特殊材料 |
| 密封圈 | 各种橡胶、聚四氟 |
| 阀杆 | 2Cr13、不锈钢 |
| 填料 | O型圈、柔性石墨 |
| 公称通径DN(mm) | DN50~1200 | ||||
| 公称压力 | PN(MPa) | 0.6 | 1.0 | 1.6 | 2.5 |
| 试验压力 | 强度试验 | 0.9 | 1.5 | 2.4 | 3.75 |
| 密封试验 | 0.66 | 1.1 | 1.76 | 2.75 | |
| 低压气密试验 | 0.5~0.7 | ||||
| 适用介质 | 空气、水、污水、蒸气、煤气、油品等 | ||||

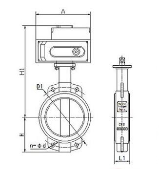
| DN | L | H | H1 | A | B | ФD | ||
| 0.6MPa | 1.0MPa | 1.6MPa | ||||||
| 50 | 43 | 77 | 443 | 125 | 125 | 88 | 99 | 99 |
| 65 | 46 | 85 | 463 | 125 | 125 | 108 | 118 | 118 |
| 80 | 46 | 95 | 483 | 125 | 125 | 124 | 132 | 132 |
| 100 | 52 | 105 | 498 | 125 | 125 | 144 | 156 | 156 |
| 125 | 56 | 129 | 682 | 325 | 245 | 174 | 184 | 184 |
| 150 | 56 | 132 | 736 | 325 | 245 | 199 | 211 | 211 |
| 200 | 60 | 165 | 800 | 325 | 245 | 254 | 266 | 266 |
| 250 | 68 | 197 | 895 | 363 | 313 | 309 | 319 | 319 |
| 300 | 78 | 234 | 956 | 363 | 313 | 363 | 370 | 370 |
| 350 | 78 | 283 | 1029 | 363 | 313 | 413 | 429 | 429 |
| 400 | 102 | 325 | 1103 | 363 | 313 | 463 | 480 | 480 |
| 450 | 114 | 369 | 1186 | 465 | 469 | 518 | 530 | 548 |
| 500 | 127 | 404 | 1280 | 546 | 431 | 568 | 582 | 609 |
| 600 | 154 | 470 | 1321 | 546 | 556 | 667 | 682 | 720 |
| 700 | 165 | 503 | 1431 | 546 | 556 | 772 | 794 | 794 |
| 800 | 190 | 571 | 1542 | 546 | 556 | 878 | 901 | 901 |
| 900 | 203 | 621 | 1800 | 617 | 706 | 978 | 1001 | 1001 |
| 1000 | 216 | 702 | 2363 | 632 | 706 | 1078 | 1112 | 1112 |
| 1200 | 254 | 818 | 2583 | 632 | 706 | 1295 | 1328 | 1328 |
